
U8彩票
联系人:尹工
电话:0769-22117867
手机:18038314095
邮箱:chenchaoup@126.com
传真:0769-33660506
地址:广东省东莞市道滘镇万道路道滘段2号8号楼403室
阿里旺铺:
http://shop1382608182009.1688.com
网址:wanderingshutterfly.com
变频器控制伺服电机的方式被应用于解决各种运动控制系统,在应用中提高了生产效率,变频器控制伺服电机技术被用于很多机械设备,自动化机器人、机械手、从制造、加工,包装等其他领域。变频器控制伺服电机运行的两种方式你一定要了解,对应用在自动化控制系统有很大的帮助,下面由东莞环通机电小编为你整理两个方式的资料。
变频器控制伺服电机的运行,需要给有关端子接上外围接控制电路,并将变频器的启动方式设为外部操作模式。

变频器控制伺服电机运作的常见两种的方式:
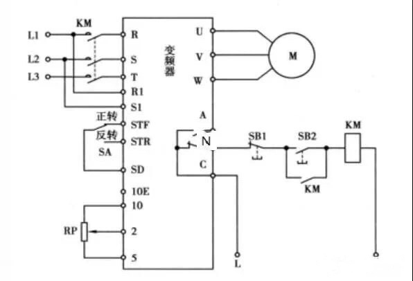
一、开关控制的正转控制电路
电路的工作原理:

1、启动准备:按下按钮SB2,接触器KM线圈得电,KM常开辅助触点和主触点均闭合,常开辅助触点闭合锁定KM线圈得电自锁,KM主触点闭合为变频器接通主电源。
2、正转控制:按下变频器STF端子外接开关SA,STF、SD端子接通,相当于STF端子输、输入正转控制信号,变频器U、V、W端子输出正转电源电压,驱动电动机正向运转。调节端子外 电位器R,变频器输出电源频率会发生改变,伺服电机转速也随之变化。
3、变频器异常保护:若变频器运行期间出现异常或故障,变频器B、C端子间内部等效的常闭开关断开,接触器KM线圈失电,KM主触点断开,切断变频器输入电源,对变频器进行保护。
4、停转控制:在变频器正常工作时,将开关SA断开,STF、 SD端子断开,变频器停止输出电源,伺服电机停转。
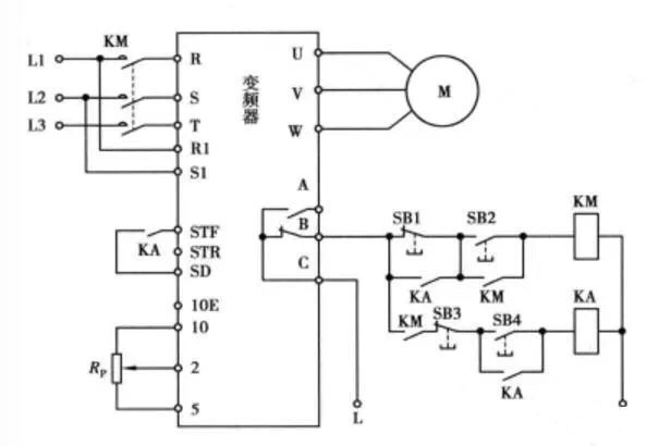
二、继电器控制的正转控制电路
电路工作原理:

1、启动准备:按下按钮SB2,接触器KM线圈得电,KM主触点和两个常开辅助触点均闭合,KM主触点闭合为变频器接通主电源,一个KM常开辅助触点闭合,锁定KM线圈得电,另一个KM常开辅助触点闭合,为继电器K中间A线圈得电作准备。
2、正转控制:按下按钮SB4,继电器KA线圈得电,3 个KA常开触点均闭合,一个常开触点闭合锁定KA线圈得电,一个常开触点闭合将按钮SB1短接,还有一个常开触点闭合将STF、SD端子接通,相当于STF端子输入正转控制信号,变频器U、V、W端子输出正转电源电压,驱动电动机正向运转。调节端子外接的电位器R,变频器的输出电源频率会发生改变,伺服电机转速也随之变化。
3、变频器异常保护:若变频器异常期间出现故障,变频器B、C端子之间内部等效的常闭开关断开,接触器KM线圈失电,KM主触点断开,切断变频器输入人电源,对变频器进行保护,同时继电器KA线圈也失电,3个KA常开触点均断开。
4、停转控制:在变频器正常工作时,按下按钮SB3,KA线圈失电,KA 3个常开触点均断开,其中一个KA常开触点断开使STF、SI)端子连接切断,变频器停止输出电源,伺服电机停转。
变频器控制伺服电机运行的两种方式,应用在自动化控制系统时,东莞环通机电小编整理的两个方式,希望能帮助到大家!

手机:18038314095
座机:0769-22117867
邮箱:htongkj@htongkj.cn
地址:广东省东莞市南城区周溪高盛科技园南区B座407
